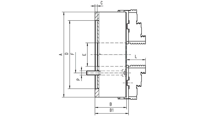
3605 Зажим детали большого диаметра ? патроны самоцентрирующие спиральные D800-2000 ? Bison-Bial, Bison (Бизон)6
Характеристики:
? Закаленные и отшлифованые рабочие поверхности
? Патроны с диаметром 1000 мм и выше оснащены
дополнительными Т-образными пазами

