• станки токарные, шлифовальные, полировочные, доводочные, заточные, зубообрабатывающие, резьбообрабатывающие, фрезерные, отрезные и разрезные, сверлильные, станки с ЧПУ

    Станки для металлообрабатывающей промышленности от 20 000 рублей

     

     

     

     

    Подробней
  • Услуги международной доставки

    Компания «Мир ISO» предлагает воспользоваться
    Услугой Международной Доставки

     

     

     

     

    Подробней
  • Твердосплавный инструмент, металлорежущий и монолитный инструмент, алмазный инструмент и абразивы, станочная оснастка, контрольно-измерительное оборудование, слесарно-монтажный инструмент, пневматический инструмент, гидравлика

    Поставка станочной оснастки,
    металлорежущего, монолитного,   
    слесарного и др. инструмента

     

     

     

     

    Подробней
  • Промышленные роботы, промышленная автоматика

    Промышленная автоматика,
    промышленные роботы

     

     

     

     

    Подробней
  • Металлорежущий инструмент, монолитные твердосплавные фрезы

    Поставка контрольного оборудования, измерительного инструмента
    и станочной оснастки

     

     

     

     

    Подробней
  • Новое поступление инструментов NOGA

    На складе компании Мир ISO -
    новое поступление
    Инструмент NOGA

     

     

     

     

    Подробней
  • Промышленные роботы, промышленная автоматика

    Промышленные роботы,
    промышленная автоматика

     

     

     

     

    Подробней

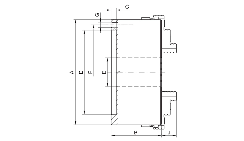
4805 Зажим детали большого диаметра ? патроны комбинированные wescott ? Bison-Bial, Bison (Бизон)

Цена: по запросу

Характеристики:

?  Закаленные и отшлифованые рабочие поверхности
?  Сбалансированный спиральный диск 
?  Патрон имеют дополнительные Т-образные пазы