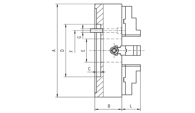
4307 Зажим детали большого диаметра ? с независимым перемещением кулачков D800-2000 ? Bison-Bial, Bison (Бизон)
Характеристики:
? Закаленные и отшлифованые рабочие поверхности
? Патроны с диаметром 1000 мм и выше оснащены
дополнительными Т-образными пазами

